九游会电气集团

九游会·J9(中国游)集团官网-真人游戏第一品牌

ex

PE

EX

变电金具

PRODUCT

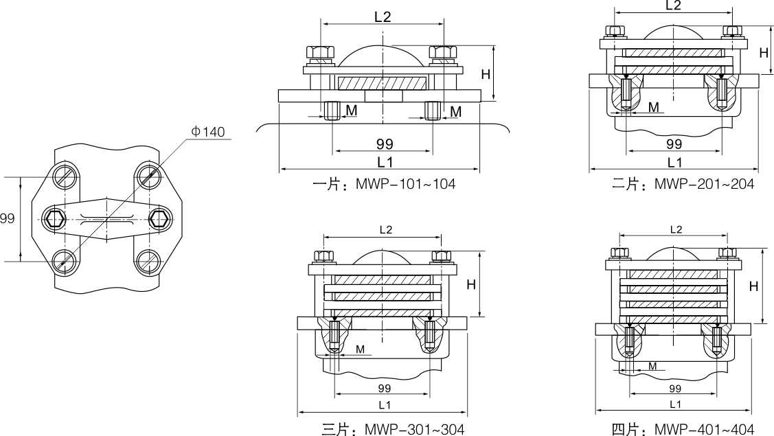
MWP户外母线牢靠金具(平放式)

产品概述 Feature

 

上盖板为铝合金件,,,,其余为热镀锌钢制件。。 。。。 

型号及寄义

 

母线型号体现要领

 01体现宽度为63mm的母线,,,,如63X6.3,,,,
02体现宽度为80mm的母线,,,,如80X6.3、80X8,,,,
03体现宽度为100mm的母线,,,,如100X8、100X10、100X12.5,,,,
04体现宽度为125mm的母线,,,,如125X8、125X10、125X12.5,,,,

 

产品价钱 Price

价钱规格最先日期竣事日期
0.00元/个2020-09-29 00:00:002020-09-29 00:00:00
完善资料
  • 真实姓名

  • 手机号码

    ※ 请填写真实手机号码以便我们与您联系

  • QQ

  • 验证码

关闭

地点 : 浙江省 乐清市 经济开发区 滨海南三路68号 / 手机 : +86 17895754287

电话 : +86-577-62057777 86-577-62058899 / 传真 : +86-577-62059988

九游会·J9(中国游)集团官网-真人游戏第一品牌

返回顶部

【网站地图】【sitemap】